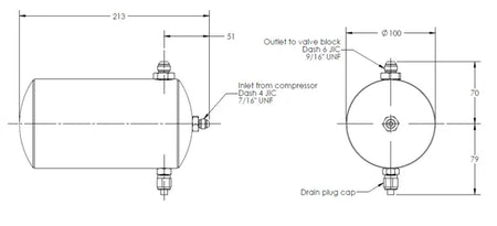
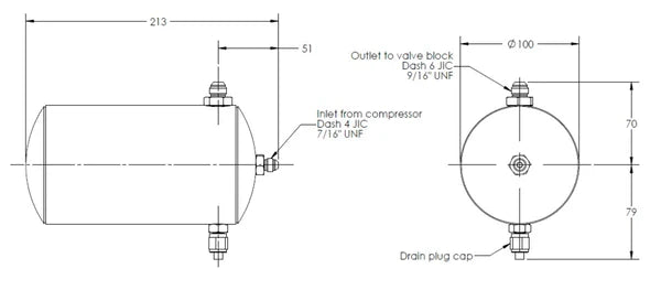
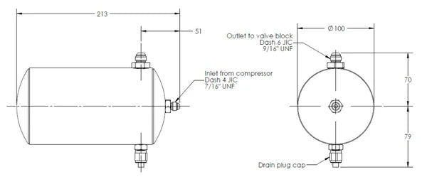
The accumulator is a professionally fabricated pressure storage vessel. It stores air from the compressor in order to supply high consumption activities when the compressor is not active or cannot meet demand. It has standard dash 4 and dash 6 JIC fittings and is rated to 10bar.
The Accumulator Pro has been designed for ease of use. It has two uncapped standard fittings. These are normally used as a feed in from an air compressor (dash 4 JIC) and a feed out to a valve block (dash 6 JIC). The third fitting is capped and is used as a drain to remove moisture from the accumulator after a race weekend.
We appreciate your business and are committed to providing you with exceptional service and timely delivery. Please review the shipping information below for your order.
Order Processing Time:
Orders are usually processed within 24-48 hours after the order has been placed.
Custom or special order items may take longer to process, typically 3-5 business days.
Shipping Methods:
Standard Shipping (3-7 business days)
Expedited Shipping (2-3 business days)
Express Shipping (1-2 business days)
Packaging:
Rest assured that all items will be securely and safely packaged to prevent any damage during transit. Fragile or high-value parts will be packaged with additional protective materials, such as bubble wrap or foam padding.
Shipping Rates:
Shipping rates vary based on the size, weight, and destination of the package. You can view the estimated shipping costs for your order during the checkout process before placing your order.
Order Tracking:
Once your order has been shipped, you will receive an email with the tracking number and carrier information. You can also track your order status by logging into your account.
International Shipping:
We ship worldwide! Please note that international shipping rates and delivery times may vary based on destination. Customers are responsible for any customs fees, import taxes, or additional charges that may apply.